Nnianimu
T hydraulic adapter yɛ T-nkitahodi a ɛpaapae hydraulic flow mu yiye, a wɔde nneɛma a ɛyɛ den ayɛ a ɛyɛ adwuma yiye wɔ nhyɛso kɛse ase. Ɛfata mmeae pii wɔ adwumayɛbea ahorow, mfuw, ne kar nhyehyɛe mu, egyae nsu a ɛtwetwe no, na ɛnyɛ den sɛ wɔde besi hɔ. Ɛhia sɛ wɔhwɛ no yie, ɛma nsuo kɔ so gyina hɔ pintinn, na ɛboa mfiri ma ɛtu mmirika yie bere tenten-a ɛyɛ kɛseɛ ma nnwuma ahodoɔ nyinaa.



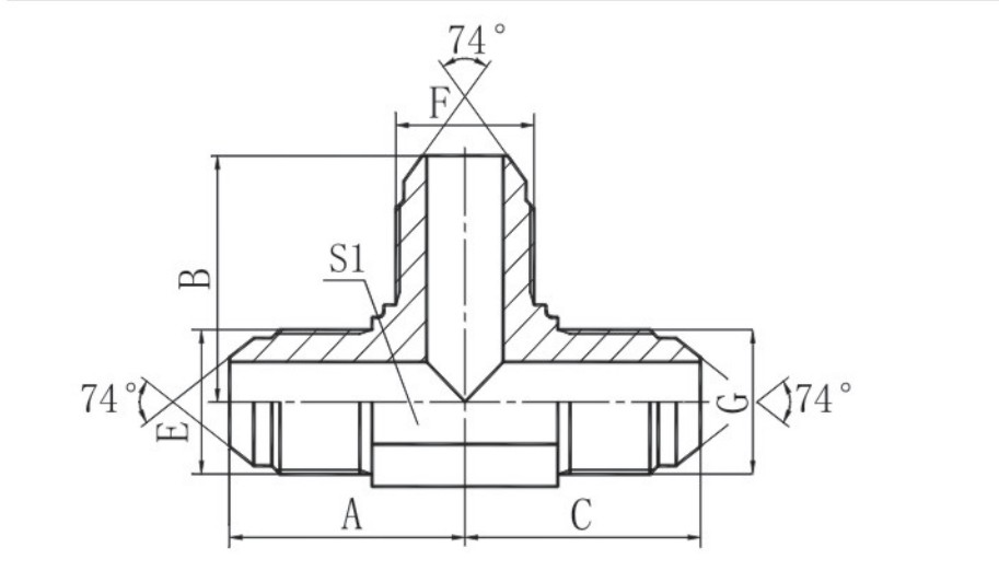
Nsɛm a Wɔakyerɛkyerɛ Mu .

|
Ɔfã a ɛto so abien. |
AHOMA |
Nsusuwii . |
|||||
|
E |
F |
G |
A |
B |
C |
S1 |
|
|
AJ-04 . |
7/16*X20 |
7/16*X20 |
7/16*X20 |
24.5 |
24.5 |
24.5 |
11 |
|
AJ-04-06-04 . |
7/16*X20 |
9/16*X18 |
7/16*X20 |
26.6 |
26.9 |
26.6 |
14 |
|
AJ-05 . |
1/2*X20 |
1/2*X20 |
1/2*X20 |
26 |
26 |
26 |
14 |
|
AJ-06-04-06 . |
9/16*X18 |
7/16*X20 |
9/16*X18 |
26.9 |
26.6 |
26.9 |
14 |
|
AJ-06 . |
9/16*X18 |
9/16*X18 |
9/16*X18 |
26.9 |
26.9 |
26.9 |
14 |
|
AJ-08-06-08 . |
3/4*X16 |
9/16*X18 |
3/4*X16 |
32 |
30 |
32 |
19 |
|
AJ-10 . |
7/8*X14 |
7/8*X14 |
7/8*X14 |
37.8 |
37.8 |
37.8 |
22 |
|
AJ-12 . |
1.1/16*X12 |
1.1/16*X12 |
1.1/16*X12 |
44.2 |
44.2 |
44.2 |
27 |
|
AJ-16 . |
1.5/16*X12 |
1.5/16*X12 |
1.5/16*X12 |
49 |
49 |
49 |
33 |
|
AJ-16-12-16 . |
1.5/16*X12 |
1.1/16*X12 |
1.5/16*X12 |
49 |
48 |
49 |
33 |
|
AJ-20 . |
1.5/8*X12 |
1.5/8*X12 |
1.5/8*X12 |
56.5 |
56.5 |
56.5 |
41 |
|
AJ-24 . |
1.7/8*X12 |
1.7/8*X12 |
1.7/8*X12 |
63 |
63 |
63 |
48 |
|
AJ-32 . |
2.1/2*X12 |
2.1/2*X12 |
2.1/2*X12 |
78 |
78 |
78 |
63 |
Parameters/mfiridwuma ho nsɛm .
|
Ankasa |
Zhejiang, China . |
Da a wɔde bɛma . |
Negotiable . |
|
Adansedi krataa . |
GB/T19001-2016 IDT ISO9001:2015 |
Nneɛma a wɔde kyekyere nneɛma ho . |
Export gyinapɛn . |
|
Atadeɛ |
Carbon dade . |
Waranti . |
Afe 1 . |
|
Katua Bere . |
TT . |
MOQ . |
2000 |
|
Tebea |
Foforɔ |
Ahosuo |
Zinc fitaa, kɔla zinc . |
Ɛfa adwumakuw ho .












Mfaso a ɛwɔ so .
Nneɛma a ɛkorɔn sen biara .
Yɛn animdefoɔ kuo no ka mfiridwuma ho nimdeɛ ne adwumayɛ ho osuahu bom Yɛkura quality control a ɛyɛ katee ne adwumayɛfoɔ adansedie .
Osuahu a ɛyɛ fɛ .
Wɔde sii hɔ wɔ afe 2011 mu mprempren de kɔ amannɔne kɔ 40+ wiase nyinaa a nea ɛka ho ne:USA, Germany, UK, Australia, Russia, Brazil, Canada, na amanaman ntam afɛfo de wɔn ho to wɔn so kɛse wɔ ɔsom pa ho
Nneɛma a wɔyɛ no kɛse .
4 Nneɛma atitiriw a wɔyɛ:
Hydraulic fittings .
Hydraulic ferrules .
Hydraulic adapter ahorow .
Nylon tube fittings .
Nneɛma ahorow bɛboro 100 na ɛwɔ hɔ .
bo a wɔde si akan .
Yɛde nneɛma a ɛyɛ papa ma wɔ bo a ɛfata mu.Built Strong Customer Trust Through:
Su a wotumi de ho to so .
Adwumayɛ mu nneyɛe a ɛyɛ nokware .
Mfe 10 nkɔso a ɛkɔ so daa .
Adetɔfo-Ɔsom a wɔde wɔn adwene si so .
Wo abotɔyam ne yɛn ade titiriw.Quick response to all inquiries.Professional solutions for every need .
Beae a ɛwɔ hɔ a ɛyɛ fɛ .
Ɛwɔ beae a ɛfata a ɛbɛn Hangzhou.excellent transport connections.Fast and efficient shipping .

FAQ .
Asɛmmisa: Dɛn nti na ɛsɛ sɛ yɛpaw yɛn adwumakuw no?
A: Yɛn adwumakuw no yɛ 10-afe hydraulic expert, a wotumi de ho to so sɛ ɛyɛ papa, 18-ɔsram tenten warranty, ntɛm delivery, ɛka a ɛyɛ papa, ne dadwen-free akyi-tɔn .
Asɛmmisa: So yɛyɛ adwumayɛbea anaasɛ aguadi adwumakuw?
A: Yɛyɛ source factory of hydraulic joints, a yɛde yɛn adwene si nneɛma a wɔyɛ ne nhwehwɛmu ne nkɔso so mfe 10 .
Asɛmmisa: Bere tenten bɛn na yɛde ma?
A: Sɛ ɛwɔ stock mu a, ɛtaa gye nnafua 7-15. Anaasɛ sɛ nneɛma no nni stock mu a, egye nnafua 30-45, a egyina dodow no so .
Asɛmmisa: Dɛn ne yɛn sikatua ho nsɛm?
A: Tua 30% deposit wɔ ahyɛdeɛ so dua akyi, na sika a aka no yɛ 70% wɔ bill of lading no ho .
Asɛmmisa: So yebetumi de nhwɛso ahorow ama? / So yebetumi de samples a wontua hwee ama?
A: Wɔ mprempren nneɛma ho no, wobetumi de nhwɛsode 2 ama ama sɔhwɛ a wontua hwee, na ɛsɛ sɛ adetɔfo no soa ɛka a wɔbɔ wɔ nneɛma a wɔde mena ho no; Sɛ wopɛ nneɛma a wɔayɛ no sɛnea wopɛ a, yɛsrɛ wo, di yɛn ho nkɔmmɔ na yɛne nhwɛso nhyehyɛe no ho nkɔmmɔ .
Asɛmmisa: Sɛ yehu ɔhaw ahorow a ɛfa su pa ho bere a yɛde redi dwuma no a, dɛn na yɛbɛyɛ?
A: Wɔ 12-ɔsram no mu su pa ho nhyehyɛe mu (wɔabu akontaa fi da a wɔde maa no) no, wɔkata nneɛma a asɛe a ɛnyɛ nnipa nyinaa so .
Asɛmmisa: Yɛn MOQ yɛ dɛn?
A: Wɔ mprempren nneɛma ho no, yɛboa single-piece adetɔ. Wɔ non{2}}Stock products ho no, wɔbɛsi dodoɔ a ɛsua koraa no so dua wɔ ɔkwan soronko so sɛdeɛ nneɛma no ho nkyerɛkyerɛmu teɛ .
Asɛmmisa: So yebetumi ayɛ nneɛma sɛnea mfonini ahorow te?
A: Boa nneɛma a wɔyɛ no koraa sɛnea mfonini ahorow kyerɛ no, nanso mfiridwuma ho ahwehwɛde ne abodwokyɛre gyinapɛn ahorow a edi mũ ho hia .
Asɛmmisa: Yɛn akyi-adetɔn som?
A: Full Logistics Tracking Service, Real-bere a wɔayɛ no foforo wɔ akwantu tebea ho na di akyi-akɔ soro wɔ adetɔfo akomatɔyam so bere a wɔde wɔn nsa ahyɛ ase akyi
Asɛmmisa: Yɛbɛyɛ dɛn ahwɛ sɛnea yɛn nneɛma no te?
A: Yɛwɔ mfiri a wɔde sɔ nneɛma hwɛ a ɛyɛ adwuma yiye, a nea ɛka ho ne nkyene a wɔde petepete, afiri a wɔde twetwe nneɛma, nea ɛyɛ den a wɔde sɔ hwɛ, ne nea ɛkeka ho, a yɛde bedi nneɛma no su so katee .
Asɛmmisa: So yɛn adwumakuw no wɔ OEM som?
A: Nokwarem no, yɛn adwumakuw no de OEM nnwuma ma. Yɛsrɛ sɛ wo ne yɛn nni nkitaho na woanya nsɛm no ho nsɛm.
Asɛmmisa: Nneɛma a wɔde kyekyere nneɛma ho bɛn na yɛwɔ?
A: Mprempren karton a wɔde kyekyere nneɛma nkutoo, nanso sɛ wowɔ ahwehwɛde biara a, yebetumi abɔ mmɔden sɛ yebedi ho dwuma .
Asɛmmisa: Bere bɛn na metumi anya bo no?
A: Mpɛn pii no yɛfa asɛm ka wɔ nnɔnhwerew 8 ntam bere a yɛanya wo nsɛmmisa no akyi.
Tags a ɛyɛ hyew .: T hydraulic adapter, China T hydraulic adapter ayɛfo, adwumayɛbea .
